Máy giặt bosch wap28480sg thuộc dòng thiết bị gia dụng cao cấp của Bosch. Và được ưa chuộng nhờ thiết kế sang trọng, mang phong cách Châu Âu hiện đại. Cùng Beptubosch tìm hiểu chi tiết về dòng sản phẩm hiện đại này qua bài viết dưới đây.

Máy giặt bosch wap28480sg phong cách Châu Âu
Thông số kỹ thuật
Các chương trình giặt
– Delicates programme , Easy-care programme , Whites and coloureds programme , Woollens hand wash programme
– Tùy chọn: AllergyPlus / Hygiene , Drain / Spin , Extra rinse , Extra Rinse / Starching , quick wash/mixture , Ready , shirts , Speed/eco , Spin speed reduction , sports , Start / Reload , Super 15 min / Super 30 min
Các chức năng đặc biệt
– Thêm đồ khi giặt
– Hạn chế nhăn đồ sau khi giặt
– Giặt siêu tốc trong vòng 15 phút
– Thêm số lần xả
– Nhãn năng lượng lúc hoạt động: B
– Động cơ ECOSILENCE DRIVE ™ không chổi than
– Hẹn giờ 1 đến 24 giờ
Chức năng an toàn
– Aqua Stop
– Khóa trẻ em
– EasyLock (khóa dễ dàng)
Thông số kỹ thuật
Trọng lượng giặt: 9 kg
Nhãn năng lượng : A (-40%)
Độ ồn khi giặt: 48dB
Độ ồn vắt: 72dB
Màn hình : LED
Điều khiển: điện tử, màn hình LED
Đèn nội thất: Đèn LED
Điện năng tiêu thụ: 1.06kW/lần giặt
Tiêu thụ năng lượng: 152 kWh (năm)
Công suất chế độ tắt/ bật trái: 0.12W / 0.43W
Tốc độ vòng quay tối đa: 1400 vòng/ phút
Kiểm soát độ ẩm: điện tử
Tiêu thụ năng lương chương trình bông chuẩn: 0.92kWh
Thời gian chương trình bông chuẩn: 285 giờ
Thiết kế : Độc lập chống rung
Màu sắc: màu trắng
Thiết kế cửa : cửa trước
Bản lề cửa: bên trái
Đường kính cửa: 32cm
Cửa mở: 171o
Độ sâu của máy khi mở cửa góc 90o: 1063 mm
Chiều cao điều chỉnh tối đa từ phía trước: 120 mm
Điện áp: 220 -240 V
Tần số: 50Hz
Điện áp: 10V
Chiều dài dây cấp điện: 160cm kèm đầu dây cắm
% hàm lượng độ ẩm lớn nhất sau khi giặt: 53%
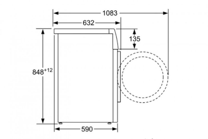
Kích thước máy (C x R x S): 848 x 598 x 590 (mm)
Kích thước đóng gói (C x R x S): 875 x 690 x 660 (mm)
Thể tích lồng giặt: 65 lít
Chất liệu lồng giặt: Thép không gỉ
Trọng lượng máy giặt: 71kg
Trọng lượng đóng gói : 73 kg

Thông số kỹ thuật
>> Xem thêm Máy giặt bosch wgg234e0sg độc lập 8kg, series 6 tại đây.
Đặc điểm nổi bật của máy giặt bosch wap28480sg
Thiết kế hiện đại, màu sắc trang nhã
Máy giặt có kiểu dáng hiện đại, màu sắc tươi sáng phù hợp với nhiều không gian phòng của mọi gia đình. Máy được tích hợp nhiều tính năng làm sạch thông minh, tiện lợi. Chắc chắn sẽ giúp ích cho bạn rất nhiều trong công việc giặt giũ. Với khối lượng giặt là 9kg, máy phù hợp cho một gia đình khoảng 4-5 người.

Thiết kế hiện đại, màu sắc trang nhã
Chương trình rửa VarioPerfect
Nhờ chương trình VarioPerfect, bạn có thể giặt nhanh hơn và hiệu quả hơn nhiều so với bình thường. Đối với tất cả các loại vải và tải trọng, máy này có thể tiết kiệm đến 65% thời gian. Và lên đến 50% năng lượng tiêu thụ.
Chức năng EcoSilence Drive
Là chức năng giúp cho máy hoạt động trơn tru, bền bỉ, ổn định. Tính năng này giúp bạn không phải lo lắng về tiếng ồn lớn. Ảnh hưởng đến các hoạt động của gia đình bạn.
Chức năng hẹn giờ trước
Máy có chức năng hẹn giờ cho quá trình giặt. Tính năng hẹn giờ trễ của Bosch cho phép bạn đặt thời gian giặt cuối cùng trước 24 giờ. Giúp bạn sắp xếp công việc dễ dàng hơn và giúp bạn kiểm soát thời gian tốt hơn.
Chức năng khóa trẻ em
Đây là một tính năng rất an toàn cho trẻ em và gia đình. Bật chế độ này sẽ tắt bảng điều khiển. Điều này ngăn ngừa việc vô tình chạm vào bảng điều khiển. Hoặc trẻ em nghịch bảng điều khiển trong khi thiết bị đang chạy. Ngăn các thay đổi ngẫu nhiên đối với chương trình.
Chức năng thêm đồ khi giặt
Đây là một tính năng rất hữu ích nếu bạn để quên đồ giặt và đã khởi động máy. Tính năng này cho phép bạn cho đồ giặt vào máy như bình thường khi máy đang chạy. Mà không cần khởi động lại máy.
Chức năng Vario Drum
Với tính năng Variorum, đồ giặt được máy giặt nhẹ nhàng và lồng giặt quay nhẹ nhàng. Mà vẫn đảm bảo hiệu quả của đồ giặt. Với tính năng này, bạn có thể yên tâm rằng bạn có nhiều thiết kế dễ bị hư hỏng quần áo.
Điều khiển điện tử và màn hình led
Máy giặt Bosch WAP28480SG được trang bị điều khiển điện tử. Và màn hình LED lớn hiển thị thông tin về chương trình hiện tại, lựa chọn nhiệt độ, cài đặt tốc độ, thời gian còn lại. Chọn chương trình loại bỏ bụi bẩn và chỉ số mài mòn tốt nhất.
9 chương trình giặt
Máy bao gồm chín chương trình giặt với các tính năng đặc biệt. Ngăn ngừa nếp nhăn sau khi giặt; Giặt siêu nhanh 15 phút; Tổng số lần giặt.
Động cơ EcoSilence hoạt động không cần chổi than nên cực kỳ yên tĩnh và hiệu quả. Được trang bị nam châm vĩnh cửu rất mạnh, nó đạt được hiệu suất động cơ tuyệt vời. Thay vì sử dụng chổi than để cấp nguồn cho phần ứng quay. Ngoài ra, sử dụng ít năng lượng hơn sẽ giúp bạn tiết kiệm nhiều hơn.

9 chương trình giặt
Thiết kế rung hiệu quả
Máy giặt với thiết kế các mặt bên không chỉ tăng tính thẩm mỹ. Mà hệ thống này còn đảm bảo hoạt động ổn định và hạn chế rung lắc của thiết bị trong quá trình hoạt động.
Lớp cách nhiệt cải tiến cũng điều chỉnh mức độ tiếng ồn. Vì vậy nó rất yên tĩnh trong suốt chu kỳ quay. Thiết kế lồng máy hình giọt nước và cánh khuấy lớn bên trong. Giúp phân phối nước và không khí nhanh hơn, tốt hơn, mang lại kết quả tốt hơn.
>> Xem thêm Máy giặt bosch wgg244a0sg thiết kế sang trọng, tính năng thông minh tại đây.
Trên là những thông tin về máy giặt bosch wap28480sg phong cách Châu Âu. Hy vọng sẽ giúp ích cho các bạn. Máy giặt bosch wap28480sg sẽ là sự lựa chọn hoàn hảo cho gia đình bạn.





